China K11 Three-Jaw Self-Centering Chuck Manufacturer & Supplier
Welcome to our websites!

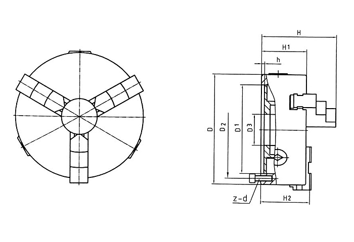
K11 SERIES THREE-JAW SELF-CENTERING CHUCK

Short Description:

K11 SERIES THREE-JAW SELF-CENTERING CHUCK  K11 series Three-jaw Self-centering chuck is subdivided into three types,K11,K11A,Type K11 provides two sets of clutches in different directions, which can be used respectively.Type K11A provides,ISO3442 standard clutches.Soft clutches are to be provided on request,higher centering accuracy can be achieved after being rubbed on the machine,so as to satisfy the need for holding. SPECIFICATIONS: Model D1 D2 D3 H H1 H2 h Z-d Siz...


Product Detail

Product Tags

K11 SERIES THREE-JAW SELF-CENTERING CHUCK 

图片2

K11 series Three-jaw Self-centering chuck is subdivided into three types,K11,K11A,Type K11 provides two sets of clutches in different directions,

which can be used respectively.Type K11A provides,ISO3442 standard clutches.Soft clutches are to be provided on request,higher centering

accuracy can be achieved after being rubbed on the machine,so as to satisfy the need for holding.

SPECIFICATIONS:

Model

D1

D2

D3

H

H1

H2

h

Z-d

Size D

K1180

55

66

16

66

50

-

3.5

3-M6

K11100

72

84

22

74.5

55

-

3.5

3-M8

K11125

95

108

30

84

58

-

4

3-M8

K11130

100

115

30

86

58

-

4

3-M8

K11160

130

142

40

95

65

-

5

3-M8

K11160A

142

40

109

65

71

5

3-M8

K11165

130

145

40

95

65

-

5

3-M8

K11165A

145

40

109

65

71

5

3-M8

K11190

155

172

55

109

75

-

5

3-M8

K11190A

172

55

122

75

80

5

3-M8

K11200

165

180

65

109

75

-

5

3-M8

K11200A

180

65

122

75

80

5

3-M8

K11240

195

215

70

120

80

-

8

3-M8

K11240A

215

70

133

80

85

8

3-M8

K11250

206

226

80

120

80

-

5

3-M8

K11250A

226

80

133

80

85

5

3-M8

K11315

260

285

100

142.5

90

-

5

3-M8

K11315A

285

100

155.5

90

96.5

5

3-M8

K11320

270

290

100

142.5

90

-

5

3-M8

K11320A

290

100

155.5

90

96.5

6

3-M16

K11325

272

296

100

142.5

90

-

6

3-M16

K11325A

296

100

155.5

90

96.5

6

3-M16

K11380

325

350

130

155.5

100

-

6

3-M16

K11380A

350

130

170.5

100

110.5

6

3-M16

K11400

340

368

130

155.5

100

-

6

3-M16

K11400A

368

130

170.5

100

110.5

6

3-M16

K11500

440

465

200

176

115

-

6

6-M16

K11500A

465

200

203

115

123

6

6-M16

K11630A

560

595

260

218

130

138

7

6-M16

K11800A

710

760

385

242

149

159

8

6-M20

K11 1000A

910

950

460

266

165

-

8

6-M24

K11 1250A

910

950

500

281

180

-

10

6-M24

 


  • Previous:
  • Next:

  • Send your message to us:

    Send your message to us:

    WhatsApp Online Chat !