China K11 Three-Jaw Self-Centering Chuck A2 Type | Hoton Supplier
Welcome to our websites!

K11 SERIES THREE-JAW SELF-CENTERING CHUCK A2 TYPE

Short Description:

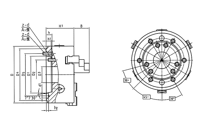
K11 SERIES THREE-JAW SELF-CENTERING CHUCK A2 TYPE K11 series Direct Mounting Three-jaw Self-centering chuck adopt short-conical hole centering, which is accurate in centering, easy to remove, convenient and reliable. A further three types are divided according to the way of joining with the rod of machine tool: Type A (joined with screw), Type C (bolt locking joint), Type D (pull rod, cam locking joint Mode1 D D1 D3 D4 D5 H1 h h1 h2 d1 Z-d K11200/A24 200 63....


Product Detail

Product Tags

K11 SERIES THREE-JAW SELF-CENTERING CHUCK A2 TYPE

图片1

K11 series Direct Mounting Three-jaw Self-centering chuck adopt short-conical hole centering, which is accurate in centering,

easy to remove, convenient and reliable. A further three types are divided according to the way of joining with the rod of machine tool:

Type A (joined with screw), Type C (bolt locking joint), Type D (pull rod, cam locking joint

Mode1

D

D1

D3

D4

D5

H1

h

h1

h2

d1

Z-d

K11200/A24

200

63.513

60

108

82.6

86

-

10

6.5

14.7

3-M10

K11200A/A24

K11250A28

250

139.719

130

210

171.4

105

18

14

8

24.2

6-M16

K11250A/A28

K11400/A28

400

139.719

130

210

171.4

118

18

14

8

24.2

6-M16

K11400A/A28

K11500A/A211

500

196.869

190

280

235

135

20

16

10

29.4

6-M20

K11630A/A211

630

196.869

190

280

235

160

20

16

10

29.4

6-M20

K11630A/A215

630

285.775

260

380

330.2

154

21

17

10

35.7

6-M24

K11800A/A215

800

285.775

280

380

330.2

180

21

17

10

35.7

6-M24

K11800A/A220

800

412.775

385

520

463.6

180

23

19

10

42.1

6-M24


  • Previous:
  • Next:

  • Send your message to us:

    Send your message to us:

    WhatsApp Online Chat !