Reliable China F12 Series Dividing Head Manufacturer | Hoton
Welcome to our websites!

HEAVY DUTY F12 SERIES DIVIDING HEAD

Short Description:

Heavy F12 Series semi-universal dividing head is one of the most important attachment for big milling machine. It can be used for simple indexing and dividing circle into any equal parts, etc. ITEMS F12260 F12300 F12400 F12500 F121000 Center height        mm 260 300 400 500 1000 Swivel angle of spindle from horizontal to upward ≤95° Horizontal position(downward) ≤5° Rotating angle of spindle for one complete revolution of dividing handle 9° Mi...


Product Detail

Product Tags

Heavy F12 Series semi-universal dividing head is one of the most important attachment for big milling machine. It can be used for simple indexing and dividing circle into any equal parts, etc.

ITEMS

F12260

F12300

F12400

F12500

F121000

Center height        mm

260

300

400

500

1000

Swivel angle of spindle from horizontal to upward

≤95°

Horizontal position(downward)

≤5°

Rotating angle of spindle for one complete revolution of dividing handle

Min. reading of vernier

10”

Worm gear ratio

1:40

Taper of spindle bore

MT6

MT6

MT6

MT5

MT5

Width of locating key       mm

18/20

18/20

18/20

22

22

Dia.of short taper of spindle nose for mounting flange   mm

Φ82.563

Φ82.563

Φ82.563

Φ106.375

Φ212.375

Numbers of hole in dividing plate

1st  plate

24,25,28,30,34,37,38,39,41,42,43

2nd  plate

46,47,49,51,53,54,57,58,59,62,66

Individual indexing error of the spindle for one complete revolution of dividing handle

80”

80”

80”

500

1000

Cumulate error at any 1/4 periphery of spindle

±70”

±70”

±70”

 

±1”

Max. bearing         Kg

380

380

380

100

500

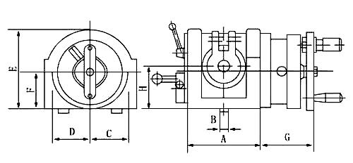
DIMENSIONAL SKETCH
tyu
ACCESSORIES:
1.Tailstock  2.Dividing plate  3.Flange  4.3-jaw chuck 5.Round Table(optional)

 


  • Previous:
  • Next:

  • Send your message to us:

    Send your message to us:

    WhatsApp Online Chat !