China F12 Series Semi-Universal Dividing Head - Hoton Manufacturer
Welcome to our websites!

F12 SERIES SEMI-UNIVERSAL DIVIDING HEAD

Short Description:

SPECIFICATIONS: 1. Type F12 series,the semi-universal dividing head is one of the most important attachment for milling machine.With the help of this dividing head ,the workpiece held can be carried out direct indexing and simple indexing,or rotate to any angle as desired and the periphery of a workpiece can be divided into any divisionsof equal parts and etc. 2. The F12 series with right handwheel. SPECIFICATION F12100 F12125 F12160 F12200 Center Height mm 100 125 160 ...


Product Detail

Product Tags

SPECIFICATIONS:
1. Type F12 series,the semi-universal dividing head is one of the most important attachment for milling machine.With the help of this dividing head ,the workpiece held can be carried out direct indexing and simple indexing,or rotate to any angle as desired and the periphery of a workpiece can be divided into any divisionsof equal parts and etc.

2. The F12 series with right handwheel.

SPECIFICATION

F12100

F12125

F12160

F12200

Center Height mm

100

125

160

200

Swivel angle of spindle from it's horizontal position(upward)

≤95°

Horizontal position(downward)

≤5°

Rotating angle of spindle for one complete revolution of dividing handle

9°(540 grad.,1'each)

Min.reading of vernier

10”

Worm gear ratio

1:40

Taper of spindle bore

MT3

MT4

Width of locating key.mm

14

18

Diameter of short taper of spindlenose for mounting flange mm

Φ41.275

Φ53.975

Φ53.975

Φ53.975

Hole numbers on index plate

1st plate

24,25,28,30,34,37,38,39,41,42,43

2nd plate

46,47,49,51,53,54,57,58,59,62,66

Individual indexing error of the spindle for one complete revolution of dividing handle

±45"

Cumulate error at any 1/4 periphery of spindle

±1"

Max.bearing Kg

100

130

130

130

Net weight Kg

57

83.5

100

130

Gross weight Kg

69

96

114

140

Case Dimensions mm

610×459×255

536×460×310

710×505×342

710×535×342

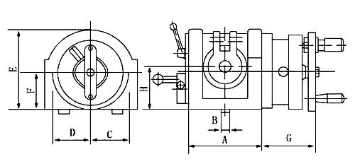
DIMENSIONAL SKETCH
ty

INSTALLATION SKETCH AND DIMENSIONS:

Model

A

B

C

D

E

F

G

H

L

M

N

O

P

F12100

162

14

102

87

186

95

116

100

93

54.7

30

100

100

F12125

209

18

116

98

224

117

120

125

103

68.5

34.5

100

125

F12160

209

18

116

98

259

152

120

160

103

68.5

34.5

100

160

F12200

209

18

116

98

299

192

120

200

103

68.5

34.5

100

200

ACCESSORIES:
1.Tailstock  2.Dividing plate  3.Flange  4.3-jaw chuck 5.Round Table(optional)


  • Previous:
  • Next:

  • Send your message to us:

    Send your message to us:

    WhatsApp Online Chat !